服务热线
0373-5428989,0373-5427989
以质量为本 才是持续发展的王道
改变的不只是产品外观 更是内在产品的科技含量
专业技术团队 丰富电机研发生产经验
产品升级 质量升级 服务升级
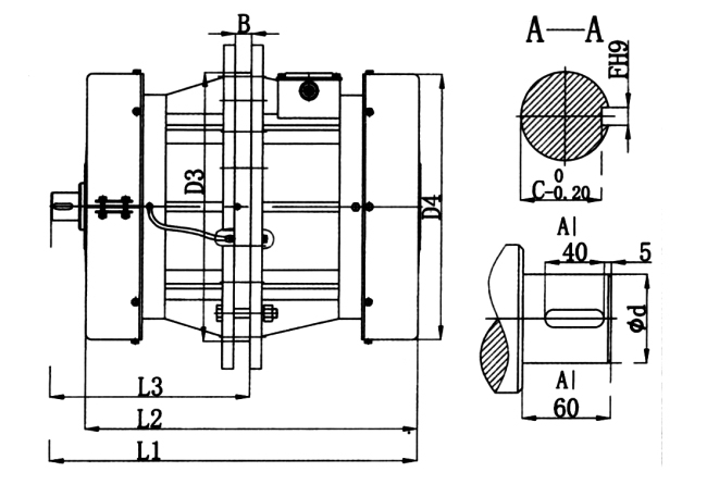
特点:
1.设计合理、选材精良、效率高、温升低、使用寿命长;
2.简化中间传动结构、安装维护方便、降低机械能耗、节约电能;
3.激振力与出力配合适当、起动力矩大、同步性能好;
4.因利用平稳的回转产生振动,噪声低;
5.只需调整偏心块夹角,就可调节激振力;
6.可多机组合成各种振动形式,以满足各种作业要求;
7.电机直接安装在振动机械的侧板上,可使振动机械实现圆运动或直线运动,同时可使振动机械重量减轻、机体刚度要求减小、减少振动机械的能耗、安装维护方便、单机激振力大、寿命长。广泛运用于电力、建材等。



在线留言 我们将给您提供科学的定制方案
We will provide you with a scientific customized program
联系人:张经理 15836140009 13663731346 电话:0373-5428989,0373-5427989
地址:河南省新乡市凤泉区大块工业园区 邮箱:331212903@qq.com